Yoke Ends from Buyers Products meet SAE standards and are available in five sizes to work for any linkage needs.
Specifications
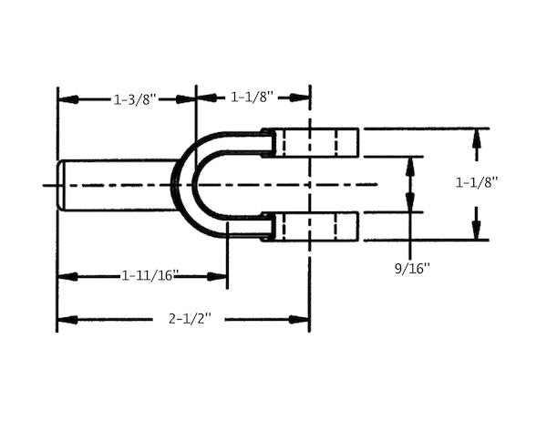
| Center Hole to Neck (in.) | 2.219 " | ||
| Base to Hole Center (in.) | 2.125 " | ||
| Neck Dia. (in.) | .375 " | ||
| Neck Length (in.) | 1.250 " | ||
| Type | Standard | ||
| Clevis Pin Incl. (y/n) | No | ||
| Yoke Height | 0.625 " | ||
| Inner Arm to Arm (in.) | .438 " | ||
| Material | Forged Steel | ||
| Hole Dia. (in.) | .375 " | Finish | Plain |
| Thread Size (in.) | - | ||
| Width (in.) | .875 " |
The 3/8 Inch Plain Yoke End: An Engineered Solution for Demanding Mechanical Linkage Systems
In the realm of mechanical engineering and industrial applications, the reliability and precision of linkage components are paramount. The 3/8 Inch Plain Yoke End from Buyers Products stands as a testament to this principle, meticulously engineered to serve as a critical interface in a myriad of mechanical systems. This comprehensive description delves into the technical attributes, material science, application versatility, and design considerations that elevate this component beyond a simple fitting to a cornerstone of robust mechanical integrity.Precision Engineering: The Foundational Role of Yoke Ends
A yoke end, at its core, is a U-shaped fitting designed to connect rods or shafts, facilitating the transfer of linear or angular motion. It typically mates with a clevis pin and another component, such as a clevis bracket or another rod end, to form a flexible pivot point within a linkage assembly. The 3/8 Inch Plain Yoke End is specifically dimensioned for applications requiring a precise 3/8-inch diameter pin, ensuring optimal fitment and load distribution within its operational parameters. Its classification as "plain" signifies a non-threaded, weld-on or mechanically attached design, offering significant advantages in certain industrial contexts.Dimensional Accuracy and Interoperability
The listed specifications are not mere numbers; they represent the precise geometric constraints and functional characteristics of this yoke end, crucial for engineers and designers integrating it into complex systems. * **Center Hole to Neck (2.219"):** This dimension defines the overall working length from the center of the clevis pin hole to the shoulder of the neck. It is vital for calculating the effective length of a linkage rod and ensuring proper alignment and clearance within an assembly. Precision in this measurement guarantees consistent articulation and prevents binding or excessive play. * **Base to Hole Center (2.125"):** This measurement establishes the distance from the base, or the point where the yoke typically attaches to a rod, to the centerline of the clevis pin hole. It’s fundamental for determining the offset and overall geometric configuration of the linkage, impacting leverage and mechanical advantage. * **Neck Diameter (.375") and Neck Length (1.250"):** The neck is the cylindrical portion designed to be inserted into or welded onto a corresponding rod or shaft. A .375-inch (3/8-inch) neck diameter ensures compatibility with standard 3/8-inch inner diameter tubing or for welding to solid rods of appropriate size. The 1.250-inch neck length provides a substantial surface area for secure attachment, distributing stress over a larger area to enhance joint strength and fatigue resistance, particularly critical for weld-on applications. * **Hole Diameter (.375"):** This explicitly confirms the clevis pin diameter. A precise .375-inch hole diameter is critical for a snug yet free-moving fit with a 3/8-inch clevis pin. Correct hole sizing minimizes wear, reduces backlash, and ensures the pin bears shear loads effectively without undue stress concentrations. * **Inner Arm to Arm (.438") and Yoke Height (0.625"):** The inner arm-to-arm dimension defines the clearance available for the mating component within the yoke, such as a clevis bracket or another rod end. At .438 inches, it allows for proper fitment while accommodating manufacturing tolerances. The yoke height of 0.625 inches establishes the vertical profile of the yoke arms, influencing both strength and spatial requirements within an assembly. * **Width (.875"):** This measurement denotes the overall external width of the yoke arms. It is a crucial parameter for clearance considerations, especially when the linkage operates in confined spaces or in close proximity to other machine components.Material Excellence: Forged Steel for Uncompromising Performance
The choice of material, "Forged Steel," is a cornerstone of this product's inherent strength and durability. Forging is a manufacturing process that involves shaping metal using localized compressive forces. Unlike casting or machining from bar stock, forging improves the grain structure of the steel, aligning it with the direction of maximum stress. * **Advantages of Forging Technology:** * **Superior Strength and Toughness:** Forged components exhibit higher tensile strength, yield strength, and fatigue resistance compared to their cast or machined counterparts. This is due to the refined grain structure and absence of internal voids, porosity, or inclusions common in castings. * **Enhanced Impact Resistance:** The homogeneous grain structure makes forged steel highly resistant to impact and shock loads, crucial for dynamic applications where sudden forces or vibrations are present. * **Improved Ductility:** Forged steel typically has greater ductility, meaning it can deform significantly under tensile stress before fracturing, providing a margin of safety against catastrophic failure. * **Reduced Stress Concentrations:** The controlled grain flow in forged parts helps to distribute stress more evenly, reducing the likelihood of stress risers that can initiate cracks. * **Consistent Quality:** The forging process provides a highly consistent product with predictable mechanical properties, essential for reliable performance in critical applications. The specific grade of forged steel selected by Buyers Products is engineered to provide an optimal balance of strength, machinability (for the pinhole and neck), and weldability, ensuring the yoke end can withstand the rigorous demands of industrial environments.The "Plain" Finish: Versatility and Application Specificity
The designation "Plain" for the finish is a deliberate design choice that offers significant advantages, particularly for integration into custom fabrications. A plain finish means the component is supplied as raw forged steel, without any protective coatings like plating or paint. * **Integration with Welding Processes:** For many heavy-duty applications, attaching the yoke end to a rod or shaft via welding is the most robust and secure method. A plain steel finish is ideal for welding, as it eliminates the need to remove plating or coatings that could compromise weld integrity or release hazardous fumes. This allows for direct, high-strength fusion welding, creating a permanent and structurally sound connection. * **Post-Installation Finishing Options:** The plain finish provides the ultimate flexibility for the end-user. Once integrated into the larger assembly, the entire structure, including the yoke end, can be painted, powder-coated, or otherwise treated to match specific aesthetic requirements or to provide corrosion protection tailored to the operational environment. This customization capability is invaluable for OEMs and fabricators. * **Corrosion Protection Considerations:** While supplied plain, the forged steel inherently possesses a degree of corrosion resistance. However, for applications exposed to moisture, chemicals, or other corrosive elements, post-installation protection is highly recommended. This could range from industrial paints and primers to specialized anti-corrosion coatings, ensuring the longevity of the entire assembly.SAE Standards Compliance: Assurance of Quality and Performance
"Yoke Ends from Buyers Products meet SAE standards." This statement is a powerful assurance of quality, reliability, and interchangeability. The Society of Automotive Engineers (SAE) sets rigorous standards for components used in automotive, aerospace, and commercial vehicle industries. * **What SAE Compliance Means:** * **Quality Assurance:** Adherence to SAE standards implies that the product has been designed, manufactured, and tested to meet specific performance criteria, material compositions, and dimensional tolerances. This instills confidence in the product's quality and consistency. * **Reliability and Safety:** Components conforming to SAE standards are designed to perform reliably under specified operating conditions, contributing significantly to the overall safety and operational integrity of the systems they are part of. * **Interchangeability:** While not always guaranteeing direct interchangeability with every competitor's product, SAE standards promote a degree of dimensional and performance commonality, simplifying design and sourcing for engineers. * **Global Recognition:** SAE standards are widely recognized and respected globally, making compliant products suitable for international applications and reinforcing their professional credibility. For a component like a yoke end, SAE compliance typically relates to factors such as material strength, dimensional accuracy critical for proper pin fit and articulation, and potentially fatigue life characteristics, although specific SAE documents would need to be referenced for exact criteria.Type: Standard and Clevis Pin Exclusion
The "Type: Standard" classification indicates that this yoke end adheres to common industry designs and dimensions, making it broadly compatible and easily integrated into existing systems or new designs following conventional practices. This avoids specialized tooling or unique design adaptations, streamlining procurement and installation. The note "Clevis Pin Incl. (y/n): No" is an important clarification. It signifies that the 3/8 Inch Plain Yoke End is sold as a standalone component, and the corresponding clevis pin must be sourced separately. This allows engineers and operators to select the most appropriate clevis pin (material, finish, locking mechanism) for their specific application, accommodating variations in load, environment, and maintenance protocols. The absence of a "Thread Size" further underscores the "plain" nature of this component. Unlike threaded rod ends that screw onto a rod, this yoke end is explicitly designed for permanent, high-strength attachment methods such as welding, pressing, or mechanical fastening, where precise length adjustment via threading is not required or where a stronger, more rigid connection is paramount.Applications Across Industries: Where Robust Linkage is Paramount
The inherent strength, precision, and robust design of the 3/8 Inch Plain Yoke End make it indispensable across a broad spectrum of industries, particularly where heavy-duty performance and reliability are non-negotiable. * **Heavy-Duty Commercial Vehicles and Transportation:** From steering linkages and brake actuating rods to suspension components and cargo securing mechanisms, these yoke ends provide critical pivot points in trucks, trailers, buses, and off-highway vehicles. * **Agricultural Machinery and Equipment:** Tractors, harvesters, plows, and cultivators rely on durable linkages for controlling implements, steering, and power take-off (PTO) mechanisms. The forged steel construction ensures longevity in demanding, often harsh, agricultural environments. * **Construction and Earthmoving Equipment:** Excavators, bulldozers, loaders, and cranes utilize yoke ends in hydraulic cylinder connections, control levers, and articulation points where significant loads and dynamic forces are encountered. * **Industrial Automation and Robotics:** In heavy industrial machinery, transfer lines, and robotic arms, these components provide reliable pivot points for actuators, sensors, and end-effectors, ensuring precise and repeatable motion. * **Material Handling Systems:** Conveyors, lift tables, and specialized forklifts often incorporate robust linkage systems that benefit from the strength and durability of forged steel yoke ends. * **Specialty Vehicle Manufacturing:** Custom vehicles for defense, mining, or specialized utility applications frequently demand components that can be custom-welded and finished, making the plain forged steel yoke end an ideal choice.Design and Integration Considerations for Engineers
Integrating the 3/8 Inch Plain Yoke End requires careful consideration of several engineering principles to maximize performance and ensure long-term reliability. * **Load Analysis and Stress Distribution:** Engineers must accurately calculate axial, radial, and torsional loads acting on the linkage. The strength of the forged steel ensures high load-bearing capacity, but proper welding techniques and selection of mating components (especially the clevis pin) are crucial to distribute these stresses effectively. The large neck length provides ample welding surface for full penetration welds, enhancing joint strength. * **Tolerance Stacking and Fitment:** While the yoke end is manufactured to precise tolerances, designers must account for cumulative tolerances across all components in the linkage system. The .438-inch inner arm-to-arm dimension provides adequate clearance for mating components, minimizing friction and binding. * **Dynamic vs. Static Applications:** This yoke end is suitable for both static load applications, where the linkage remains stationary, and dynamic applications, where continuous movement and varying loads are present. Its forged construction offers excellent fatigue resistance for dynamic cycles. * **Mating Component Selection:** The selection of the clevis pin is critical. It must be of appropriate material and strength to match the yoke end's capacity and the application's load requirements. Pin retention methods (e.g., cotter pins, retaining clips) must also be chosen to prevent accidental disengagement. * **Welding Procedures:** For optimal strength, professional welding practices are essential. This includes proper joint preparation, selection of appropriate filler material, and adherence to established welding codes (e.g., AWS standards). Post-weld inspection for defects is also recommended. * **Maintenance and Lifecycle Management:** Although robust, regular inspection for wear, corrosion, and damage is prudent, especially in high-cycle or harsh environments. The plain finish allows for easy reapplication of protective coatings during maintenance cycles.Manufacturing Quality and Reliability
Buyers Products' commitment to quality is evident in the selection of materials and manufacturing processes for this yoke end. The adherence to SAE standards is a testament to rigorous quality control throughout the production cycle. This includes material certification, dimensional inspections, and potentially non-destructive testing, ensuring each unit consistently meets design specifications and performance expectations. The consistency in production means that engineers can rely on repeatable performance from every component, simplifying design calculations and inventory management.Conclusion: A Foundation of Strength and Precision for Demanding Applications
The 3/8 Inch Plain Yoke End from Buyers Products is more than just a piece of hardware; it is a precisely engineered component designed for the most demanding mechanical linkage applications. Its forged steel construction provides unparalleled strength, impact resistance, and fatigue life. The "plain" finish offers exceptional versatility for welding and custom protective treatments, while adherence to SAE standards ensures reliability and quality. With meticulous dimensions like the 2.219-inch center hole to neck and the 0.375-inch hole diameter, this yoke end provides the critical interface for transmitting force and motion with precision and durability across industries from heavy transportation to agricultural machinery and industrial automation. For engineers and fabricators seeking a dependable, high-performance solution for their linkage system requirements, this 3/8 Inch Plain Yoke End stands as an exemplary choice, delivering robust functionality and long-term value.
